标准钻头的主要几何参数
发布日期:2025-09-11
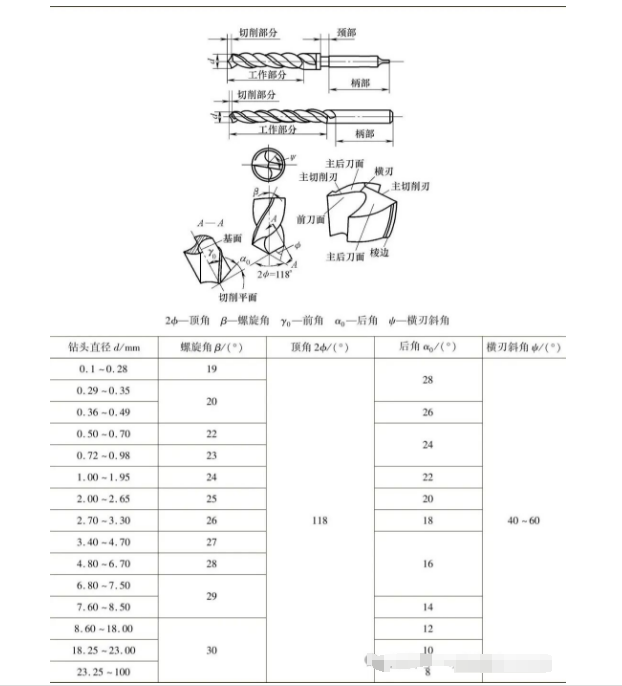
通用型麻花钻的主要几何参数

标准群钻切削部分几何参数

注:1.表中I表示加工一般钢材,Ⅱ表示加工铝合金。
2.表中其他参数值按直径范围的中间值来定。
3.钻铝合金时将前面、后面用油石背光至RaO.8Oμm以下。
4.本表图形系直径为154Omm的中型标准群钻。
5.表中的近似比例取值分别为:h≈O.O3d;R≈O.2d(d≤15);l≈O.2d(d≤15);l≈O.3d(d>15);6≈O.O3d(I);6≈O.O2d(Ⅱ)。
下一篇:台阶和槽铣刀的选用实例技巧


