主营:T型铣刀,成型铣刀,合金铰刀,硬质合金刀具

公司新闻

最新新闻

关键词

联系我们

苏州欧莱卡精密刀具有限公司

联系人:张先生

电话:(0512)57990167

手机:13912699688

QQ:455644204

传真:(0512)57507385

邮箱:haichangwujin@126.com

地址:昆山市前进西路1028号

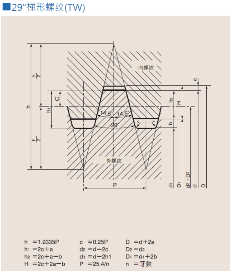
螺纹的标准牙型

发布日期:2025-12-05

螺纹的标准牙型:

45ab84f8-7cde-41aa-a99d-283e093603c8.png

374b63e6-b06f-423b-95a8-cc1079bdda7f.png

3ef35c42-ff12-4754-a3f1-e8026bef79d7.png

39ed7fc5-5875-4aa2-b5c8-75153c9fb9da.png

6fc01b1a-8a64-4048-8d6b-01de65bdd4ca.png

08568ac6-d56a-46ee-bfa6-5be37df33ea6.png

ee98c6b8-459a-4207-a965-6251670b41cb.png

4eaa6f91-8ac3-4dfc-a9cf-151f160d514b.png

cea420af-2b80-4e06-8f85-d20bb92623ab.png

531e71a4-89d1-48dc-902c-99e0b4e66724.png

ac8f2c9b-76d3-42b3-83f7-47b9f85b60f6.png

f9c543da-44d9-4eb7-a0bb-d82b2ba82e37.png

5a1f6837-336c-4a20-9aa9-3b44bcd62264.png


最近浏览:

相关产品:

相关新闻:

为什么要选择欧莱卡?

主营:T型铣刀,成型铣刀,合金铰刀,硬质合金刀具